CN
EN
繁体
首页
走进木林胜
企业简介
发展历程
企业资质
合作伙伴
招贤纳士
联系我们
产品中心
场效应管 MOS
碳化硅 SiC
IGBT
集成电路 IC
可控硅
三极管
二极管
技术与服务
技术支持
新品发布
型号命名规则
产品使用说明
典型应用手册
品质文件
产品可靠性
失效分析能力
环保文件下载
不使用冲突矿产声明
绿色环保声明
应用领域
汽车
清洁能源
工控
电源
智能家居
安防
仪表
通信
加入我们
CN
EN
繁体
首页
走进木林胜
产品中心
技术与服务
应用领域
加入我们
返回
企业简介
发展历程
企业资质
合作伙伴
招贤纳士
联系我们
返回
场效应管 MOS
碳化硅 SiC
IGBT
集成电路 IC
可控硅
三极管
二极管
返回
技术支持
新品发布
型号命名规则
产品使用说明
典型应用手册
品质文件
产品可靠性
失效分析能力
环保文件下载
不使用冲突矿产声明
绿色环保声明
返回
汽车
清洁能源
工控
电源
智能家居
安防
仪表
通信
返回
返回
CN
EN
繁体
应用领域
您的位置:
首页
/
应用领域
/
清洁能源
/
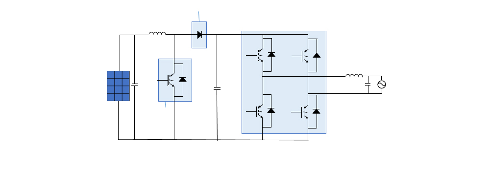
Solar Inverter Single-Phase Full-Bridge Block
应用领域
汽车
清洁能源
工控
电源
智能家居
安防
仪表
通信
Solar Inverter Single-Phase Full-Bridge Block
2024-01-13
SiC/Rectifier Diode
IGBT
IGBT
上一篇:Single-Phase HERIC Block
下一篇:EV Charger LLC Solution
网站地图